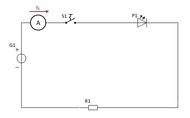
Vorlage Schaltplan - Niveau B
Abschlussbedingungen
Klicken Sie auf den Link '02_Aufgabe_2_Vorlage_B.jpg', um die Datei anzuzeigen.
Herausgeber: Land Baden-Württemberg, vertreten durch das Zentrum für Schulqualität und Lehrerbildung (ZSL), Heilbronner Straße 314, 70469 Stuttgart, Telefon 0711/21859-0, poststelle@zsl.kv.bwl.de
Verantwortlich im Sinne des Presserechts: ZSL, Irmgard Mühlhuber, Ref. 24 "Digitalisierung, Medienbildung", Heilbronner Straße 314, 70469 Stuttgart, Telefon 0711/21859-240, digitalebildung@zsl.kv.bwl.de
Kontakt zum/r behördlichen Datenschutzbeauftragte/n: datenschutz@zsl.kv.bwl.de