Lernschritt LS2.3
-
Lernschritt LS2.3
-
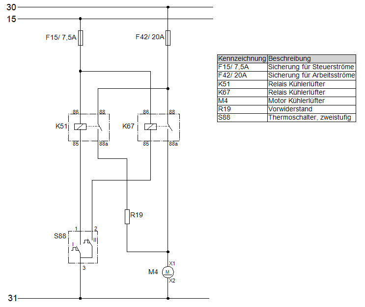
Diagnose an der elektrischen Lüfterschaltung planen und durchführen
-
-
Das ohmsche Gesetz mal anders dargestellt.....

Sie haben es fast geschafft.....!
Für den letzten Lernschritt brauchen Sie alle neu gewonnenen Erkenntnisse aus der Elektrotechnik, aber auch bereits bekanntes Wissen zum ohmschen Gesetz sowie Aufbau und Funktion eines Relais.ALSO:
Führen Sie abschließend an der elektrischen Lüfterschaltung des Kühlsystems eine Diagnose durch.- Bearbeiten Sie hierzu die folgenden Aufgaben. Nutzen Sie zur Bearbeitung das Tabellenbuch sowie Ihre Erkenntnisse aus dem vorhergehenden Lernschritt.
- Gehen Sie nach der Bearbeitung zur Besprechung in das Klassenzimmer.
- Reflektieren Sie Ihr Wissen. Füllen Sie nach der Besprechung die "Ich-kann"-Liste aus.
-

-
-
-
-
Ich kann...
-
Herausgeber: Land Baden-Württemberg, vertreten durch das Zentrum für Schulqualität und Lehrerbildung (ZSL), Heilbronner Straße 314, 70469 Stuttgart, Telefon 0711/21859-0, poststelle@zsl.kv.bwl.de
Verantwortlich im Sinne des Presserechts: ZSL, Irmgard Mühlhuber, Ref. 24 "Digitalisierung, Medienbildung", Heilbronner Straße 314, 70469 Stuttgart, Telefon 0711/21859-240, digitalebildung@zsl.kv.bwl.de
Kontakt zum/r behördlichen Datenschutzbeauftragte/n: datenschutz@zsl.kv.bwl.de