• 2.2: Verriegelungen anwenden

    •   Ich kann...

      In diesem Lernschritt lerne ich Folgendes:

      • Ich kann steuerungsrelevante Sicherheitsvorgaben erfüllen.
      • Ich kann die Tasterverriegelung beschreiben und kann sie in einem Stromlaufplan anwenden.
      • Ich kann die Schützverriegelung beschreiben und kann sie in einem Stromlaufplan anwenden.
      • Ich kann meine Gedanken und Inhalte erklären.
      • Ich kann meine Meinung in Gesprächen einbringen.
      • Ich kann meine Konzentration und meine Ausdauer aufrechterhalten.
    • _________________________________________________________________________________

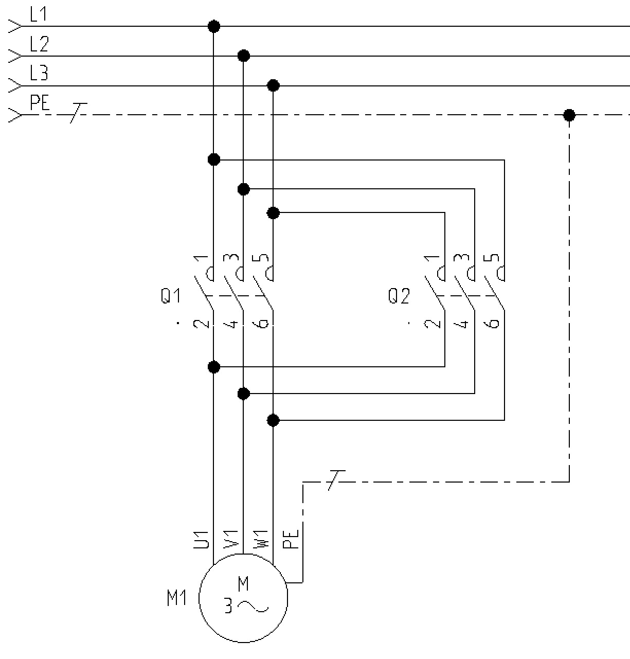
    • Schaltung zum Einstieg

        

      Die Schaltung zum Einstieg zeigt den vereinfachten Hauptstromkreis der Schrankensteuerung.

      Sehen Sie sich das Bild an und notieren Sie sich Ihre Gedanken zur Funktion des Hauptstromkreises. 

    • _________________________________________________________________________________

    • Aufgabe 1

      Besprechen Sie mit Ihrer Lernpartnerin / Ihrem Lernpartner die Funktion des vereinfachten Hauptstromkreises.

      Erklären Sie sich gegenseitig, was passiert, wenn beide Schütze (Q1 und Q2) gleichzeitig anziehen.

      Notieren Sie die Ergebnisse Ihrer Besprechung.

    • _________________________________________________________________________________

    • Aufgabe 2

    • Kontrollieren Sie gemeinsam Ihre Ergebnisse aus der Besprechung mit Ihrer Lernpartnerin / Ihrem Lernpartner.

      Nutzen Sie die folgende Übung zur Kontrolle:

    • Verbessern Sie, wenn nötig, Ihre Notizen aus Aufgabe 1.

    • _________________________________________________________________________________

    • Aufgabe 3: Versuchsaufbau 1

      Ihnen wird ein Schaltplan zur Verfügung gestellt.

    •  

      Bauen Sie die vorgegebene Schaltung (Versuchsaufbau 1: Niveau B) im Elektrolabor auf.

      Füllen Sie beim Test der Schaltung die Ergebnissicherung Versuchsaufbau 1 Niveau B aus:

    •  

      Ergänzen Sie die vorgegebene Schaltung (Versuchsaufbau 1: Niveau C) mit den korrekten Betriebsmittelkennzeichnungen und den korrekten Anschlussbezeichnungen.

      Bauen Sie die vorgegebene Schaltung im Elektrolabor auf.

      Füllen Sie beim Test der Schaltung die Ergebnissicherung Versuchsaufbau 1 Niveau C aus:

    • _________________________________________________________________________________

    • Aufgabe 4: Versuchsaufbau 2

      Ihnen wird ein Schaltplan zur Verfügung gestellt.

    •  

      Bauen Sie die vorgegebene Schaltung (Versuchsaufbau 2: Niveau B) im Elektrolabor auf.

      Füllen Sie beim Test der Schaltung die Ergebnissicherung Versuchsaufbau 2 Niveau B aus:

    •  

      Ergänzen Sie die vorgegebene Schaltung (Versuchsaufbau 2: Niveau C) mit den korrekten Anschlussbezeichnungen.

      Bauen Sie die vorgegebene Schaltung im Elektrolabor auf.

      Füllen Sie beim Test der Schaltung die Ergebnissicherung Versuchsaufbau 2 Niveau C aus:

    • _________________________________________________________________________________

    • Aufgabe 5: Versuchsaufbau 3

      Ihnen wird ein Schaltplan zur Verfügung gestellt.

    •  

      Bauen Sie die vorgegebene Schaltung (Versuchsaufbau 3: Niveau B) im Elektrolabor auf.

      Füllen Sie beim Test der Schaltung die Ergebnissicherung Versuchsaufbau 2 Niveau B aus:

    •  

      Ergänzen Sie die vorgegebene Schaltung (Versuchsaufbau 3: Niveau C) mit den korrekten Anschlussbezeichnungen.

      Bauen Sie die vorgegebene Schaltung im Elektrolabor auf.

      Füllen Sie beim Test der Schaltung die Ergebnissicherung Versuchsaufbau 3 Niveau C aus:

    • _________________________________________________________________________________

    • Aufgabe 6

      Besprechen Sie mit Ihrer Lernpartnerin / Ihrem Lernpartner Ihre Erkenntnisse / Ergebnisse aus den Versuchsaufbauten 1-3.

      Notieren Sie die Ergebnisse Ihrer Besprechung.

    • _________________________________________________________________________________

    • Ergebnissicherung

      Bearbeiten Sie den Lückentext zur Ergebnissicherung.

    • Erstellen Sie einen Screenshot des fertigen Lückentextes und legen Sie diesen in Ihrem Studierendenordner ab.

      Dateiname: "LS2.2_Ergebnissicherung"

    • _________________________________________________________________________________

    •