• 2.5: Steuerung aufbauen

    •   Ich kann...

      In diesem Lernschritt lerne ich Folgendes:

      • Ich kann Werkzeuge und Betriebsmittel auswählen und zum Aufbau von Steuerungen anwenden.
      • Ich kann steuerungsrelevante Sicherheitsvorgaben erfüllen.
      • Ich kann einen geplanten Hauptstromkreis im Elektrolabor aufbauen.
      • Ich kann einen geplanten Steuerstromkreis im Elektrolabor aufbauen.
      • Ich kann Arbeitstechniken in komplexen Situationen anwenden.
      • Ich kann zur Lösung von Problemen Strategien anwenden.
      • Ich kann in komplexen Situationen durchhalten.
    • _________________________________________________________________________________

    • Übung zum Einstieg

      In diesem Lernschritt werden Sie den Hauprstromkreis und den Steuerstromkreis der Schrankensteuerung aufbauen. 

      Bearbeiten Sie folgendes Kreuzworträtsel:

    • _________________________________________________________________________________

    • Aufgabe 1

      Sie möchten die geplante Schrankensteuerung in Betrieb nehmen.

      In der Praxis wird beim Aufbau einer Steuerung immer zuerst der Hauptstromkreis verdrahtet.

      Aber ... warum wird der Hauptstromkreis zuerst verdrahtet?

      Besprechen Sie sich mit Ihrer Lernpartnerin / Ihrem Lernpartner.

    • _________________________________________________________________________________

    •  

    • Aufgabe 2

      Sehen Sie sich die folgende Erklärung an.

      In ihr wird Ihnen gezeigt, warum der Hauptstromkreis zuerst verdrahtet wird.

      Überlegen Sie, ob Ihre gemeinsamen Ergebnisse aus Aufgabe 1 zutreffend waren.

    • _________________________________________________________________________________

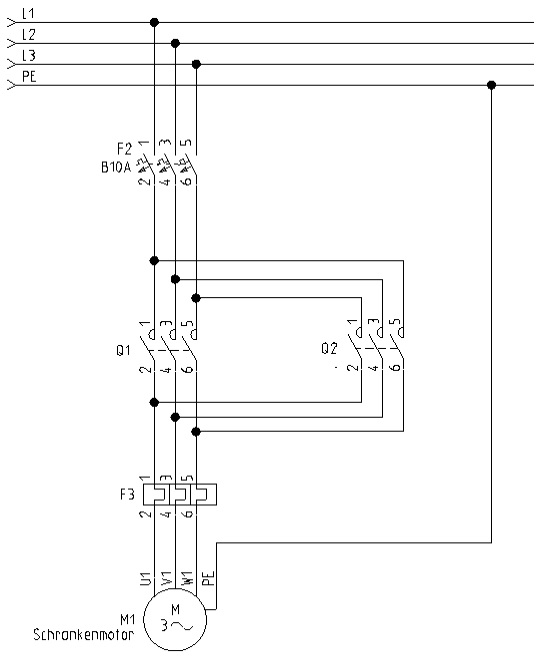
    • Aufgabe 3: Versuchsaufbau Hauptstromkreis:

      Ihnen wird der Plan für den Hauptstromkreis zur Verfügung gestellt.

    •  

      Bauen Sie den vorgegebenen Hauptstromkreis im Elektrolabor auf. Wählen Sie hierzu die geeignete Leiterfarbe aus der VDE 0113.

      Tipps für die Auswahl der Leiterfarbe und die Verdrahtung erhalten Sie hier:

    •  

      Bauen Sie den vorgegebenen Hauptstromkreis im Elektrolabor auf.

      Wählen Sie hierzu die geeignete Leiterfarbe aus der VDE 0113:

    • _________________________________________________________________________________

    • Aufgabe 4: Versuchsaufbau Steuerstromkreis:

      Ihnen wird der Plan für den Steuerstromkreis zur Verfügung gestellt.

    •  

      Bauen Sie den vorgegebenen Steuerstromkreis im Elektrolabor auf. Wählen Sie hierzu die geeignete Leiterfarbe aus der VDE 0113.

      Tipps für die Auswahl der Leiterfarbe und die Verdrahtung erhalten Sie hier:

    •  

      Bauen Sie den vorgegebenen Hauptstromkreis im Elektrolabor auf.

      Wählen Sie hierzu die geeignete Leiterfarbe aus der VDE 0113:

    • _________________________________________________________________________________

    • Ergebnissicherung

      Suchen Sie sich eine Lernpartnerin / einen Lernpartner.

      Bearbeiten Sie gemeinsam das folgende Memory zur Ergebnissicherung.

      Darin geht es darum, die passende Aussage zu den gezeigten Betriebsmitteln zu finden.

    • Erstellen Sie einen Screenshot der Ergebnissicherung und legen Sie diesen in Ihrem Studierendenordner ab.

      Dateiname: "LS2.5_Ergebnissicherung"

    • _________________________________________________________________________________

    •